Qualitätssicherung in der Elektromobilität
Sicheres, ganzheitliches Qualitätsmanagement für die Elektromobilität
Kurze Entwicklungszeiten und neue Technologien gehören zu den Herausforderungen der Elektromobilität für die Automobilindustrie. Statt auf einem Verbrennungsmotor und hochkomplexen Getrieben liegt der Fokus nun auf Batterien, Leistungselektronik, Elektromotoren und zweistufigen Getrieben. Dazu kommen neue Produktions- und Montageverfahren. Quality Analysis bietet Ihnen die lückenlose Qualitätssicherung des gesamten Antriebsstrangs für Hybrid- und Elektrofahrzeuge.
Dazu setzen wir neben taktilen und optischen Messungen auf zerstörungsfreie Computertomographie sowie zerstörende Materialprüfungen. Mit unseren korrelativen Analysemethoden verbinden wir einzelne Mess- und Prüftechniken fachbereichsübergreifend für noch präzisere, aussagekräftigere Ergebnisse. Senden Sie uns gerne Ihre Anfrage, unsere Experten stehen Ihnen mit Rat und Tat zur Seite:
Materialprüfung
Welche Eigenschaften besitzen Ihr Material und Ihr Bauteil? Wir prüfen Ihren Werkstoff je nach Analyseaufgabe mit zerstörungsfreien und zerstörenden Untersuchungsmethoden. Zur Verfügung stehen uns alle wichtigen Analysemethoden: von der industriellen Computertomographie bis hin zu hochauflösenden mikroskopischen Analysen.
Defektprüfung und Innenstrukturprüfung
Fehlstellen und Defekte im Materialgefüge können fatale Folgen haben für Ihre Bauteile haben. Mit zerstörungsfreien und zerstörenden Analysen untersuchen wir Versagensmechanismen und die gesamte Innenstruktur Ihres Bauteils. So sichern Sie die Qualität und vermeiden Materialdefekte.
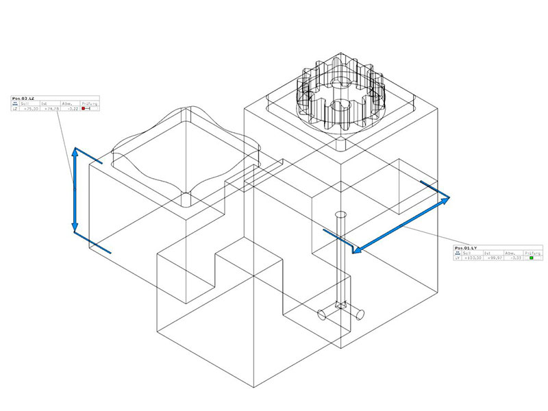
Maß- und Oberflächenprüfung
Elektromotoren werden zunehmend leichter und kompakter, müssen aber gleichzeitig hohe Drehzahlen und Drehmomente leisten. Die hochpräzise Fertigung ist die Voraussetzung für einen verschleißfreien Betrieb. Je nach Messaufgabe setzen wir taktile und optische Messgeräte sowie die industrielle Computertomographie für die Qualitätssicherung ein. Wir prüfen so die Maßhaltigkeit und die Oberflächengüte der entsprechenden Werkstücke.
Technische Sauberkeit
Vor allem leitfähige und mineralisch-harte Partikel und Fasern spielen für die Technische Sauberkeit in der Elektromobilität eine Rolle. Aber auch Staub, Öle oder sonstige filmische Verschmutzungen der Oberfläche können unter anderem Kriechströme verursachen. Mögliche partikuläre und filmische Verschmutzungen auf funktionsrelevanten Bauteilen und Oberfläche weisen wir zuverlässig nach und analysieren sie hochpräzise.
Das könnte Sie auch interessieren
Interview: Wie wird Qualitätssicherung künftig funktionieren?
Lesen Sie im Interview mit Dr. Robert Zarnetta und Josef Faigle wie die Firma ZEISS und Quality Analysis Ihre Weichen in Richtung Zukunft stellen.
Materialprüfung und Schadensanalyse für die Elektromobilität
Gewinnen Sie Einblicke in die umfangreichen Analysemöglichkeiten der Materialographie.
Durchblick Sonderausgabe zur Elektromobilität
Erhalten Sie einen Rückblick auf den Kundentag 2019 bei dem sich alles um das Thema Elektromobilität gedreht hat.
QUALITY ANALYSIS DER RICHTIGE PARTNER FÜR IHRE ANALYSEAUFGABEN IN DER E-MOBILITY
Was können wir für Sie analysieren?
Wir beraten Sie gerne zu den zahlreichen Möglichkeiten und kombinierten Analysemethoden.
Das Ziel: die beste, wirtschaftlichste und effizienteste Analyse Ihres Bauteils.